Giải mục 2 trang 71, 72 Chuyên đề học tập Toán 11 - Cánh diều
Tổng quan nội dung
Giải mục 2 trang 71, 72 Chuyên đề học tập Toán 11 - Cánh diều
Chào mừng các em học sinh đến với lời giải chi tiết mục 2 trang 71, 72 Chuyên đề học tập Toán 11 - Cánh diều.
Tusach.vn luôn đồng hành cùng các em trong quá trình học tập, cung cấp đáp án chính xác và dễ hiểu nhất.
Hãy cùng chúng tôi khám phá lời giải bài tập này để củng cố kiến thức và đạt kết quả tốt nhất nhé!
Hãy vẽ các hình chiếu vuông góc của hình lập phương theo phương pháp góc chiếu thứ nhất.
Hoạt động 2
Hãy vẽ các hình chiếu vuông góc của hình lập phương theo phương pháp góc chiếu thứ nhất.
Phương pháp giải:
Phương pháp góc chiếu thứ nhất là phương pháp biểu diễn cac hình chiếu bằng, hình chiếu cạnh, hình chiếu đứng của vật thể trên cùng một mặt phẳng (bản vẽ) theo thứ tự trong hình 9.

Lời giải chi tiết:

Luyện tập 2
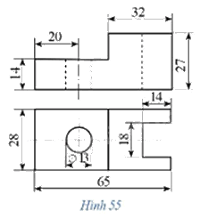
Đọc bản vẽ gá lỗ tròn trong Hình 55 và khôi phục lại hình dạng của gá lỗ tròn đó.

Phương pháp giải:
Quan sát hình 55 để đọc bản vẽ.
Lời giải chi tiết:
Đọc bản vẽ hai hình chiếu của gá lỗ tròn ta thấy:
- Hình chiếu đứng có dạng chữ L nằm ngang. Chiều dài lớn là 65, chiều cao lớn là 27.
- Đối chiếu với hình chiếu bằng, ta thấy có hai phần: phần bên trái có lỗ tròn ∅13 tương ứng với phần bên trái thấp ở hình chiếu đứng; phần bên phải có rãnh chữ nhật tương ứng với phần nhô lên bên phải ở hình chiếu đứng.
- Trên hình chiếu đứng, phần bên trái thấp hơn có hai nét đứt tương ứng với đường tròn ∅13 ở hình chiếu bằng thể hiện lỗ tròn ở giữa.
- Trên hình chiếu đứng, phần bên phải nhô lên có một nét đứt tương ứng với phần khuyết hình chữ nhật ở hình chiếu bằng thể hiện rãnh chữ nhật.
Từ đó hình dạng gá lỗ tròn được biểu diễn như hình sau.

Luyện tập 1
Vẽ ba hình chiếu vuông góc của một đồ vật đơn giản trong gia đình em.
Phương pháp giải:
Phương pháp góc chiếu thứ nhất là phương pháp biểu diễn cac hình chiếu bằng, hình chiếu cạnh, hình chiếu đứng của vật thể trên cùng một mặt phẳng (bản vẽ) theo thứ tự trong hình 9.

Lời giải chi tiết:
Ví dụ: cái giường hộp.

- Hoạt động 2
- Luyện tập 1
- Luyện tập 2
Hãy vẽ các hình chiếu vuông góc của hình lập phương theo phương pháp góc chiếu thứ nhất.
Phương pháp giải:
Phương pháp góc chiếu thứ nhất là phương pháp biểu diễn cac hình chiếu bằng, hình chiếu cạnh, hình chiếu đứng của vật thể trên cùng một mặt phẳng (bản vẽ) theo thứ tự trong hình 9.

Lời giải chi tiết:

Vẽ ba hình chiếu vuông góc của một đồ vật đơn giản trong gia đình em.
Phương pháp giải:
Phương pháp góc chiếu thứ nhất là phương pháp biểu diễn cac hình chiếu bằng, hình chiếu cạnh, hình chiếu đứng của vật thể trên cùng một mặt phẳng (bản vẽ) theo thứ tự trong hình 9.

Lời giải chi tiết:
Ví dụ: cái giường hộp.

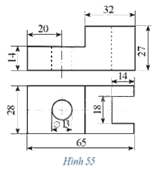
Đọc bản vẽ gá lỗ tròn trong Hình 55 và khôi phục lại hình dạng của gá lỗ tròn đó.

Phương pháp giải:
Quan sát hình 55 để đọc bản vẽ.
Lời giải chi tiết:
Đọc bản vẽ hai hình chiếu của gá lỗ tròn ta thấy:
- Hình chiếu đứng có dạng chữ L nằm ngang. Chiều dài lớn là 65, chiều cao lớn là 27.
- Đối chiếu với hình chiếu bằng, ta thấy có hai phần: phần bên trái có lỗ tròn ∅13 tương ứng với phần bên trái thấp ở hình chiếu đứng; phần bên phải có rãnh chữ nhật tương ứng với phần nhô lên bên phải ở hình chiếu đứng.
- Trên hình chiếu đứng, phần bên trái thấp hơn có hai nét đứt tương ứng với đường tròn ∅13 ở hình chiếu bằng thể hiện lỗ tròn ở giữa.
- Trên hình chiếu đứng, phần bên phải nhô lên có một nét đứt tương ứng với phần khuyết hình chữ nhật ở hình chiếu bằng thể hiện rãnh chữ nhật.
Từ đó hình dạng gá lỗ tròn được biểu diễn như hình sau.

Giải mục 2 trang 71, 72 Chuyên đề học tập Toán 11 - Cánh diều: Tổng quan và Hướng dẫn chi tiết
Mục 2 trang 71, 72 trong Chuyên đề học tập Toán 11 - Cánh diều thường tập trung vào một chủ đề cụ thể trong chương trình học. Để giải quyết hiệu quả các bài tập trong mục này, học sinh cần nắm vững kiến thức lý thuyết liên quan, hiểu rõ các định nghĩa, định lý và công thức đã học. Tusach.vn sẽ cung cấp lời giải chi tiết, từng bước, giúp các em hiểu rõ phương pháp giải và áp dụng vào các bài tập tương tự.
Nội dung chính của Mục 2 trang 71, 72 (Ví dụ - cần điều chỉnh theo nội dung thực tế của sách)
Giả sử Mục 2 này đề cập đến việc giải phương trình lượng giác cơ bản. Nội dung sẽ bao gồm:
- Phương trình lượng giác cơ bản: sin(x) = a, cos(x) = a, tan(x) = a, cot(x) = a (với -1 ≤ a ≤ 1).
- Cách giải phương trình lượng giác cơ bản: Sử dụng đường tròn lượng giác, các giá trị đặc biệt của hàm lượng giác.
- Các bước giải phương trình lượng giác: Biến đổi phương trình về dạng cơ bản, tìm nghiệm tổng quát, tìm nghiệm trong khoảng cho trước.
- Ví dụ minh họa: Giải các phương trình lượng giác cụ thể để hiểu rõ phương pháp.
Hướng dẫn giải chi tiết các bài tập trong Mục 2
Dưới đây là hướng dẫn giải chi tiết một số bài tập tiêu biểu trong Mục 2 trang 71, 72:
Bài 1: Giải phương trình sin(x) = 1/2
Lời giải:
- Phương trình sin(x) = 1/2 có nghiệm tổng quát là: x = arcsin(1/2) + k2π hoặc x = π - arcsin(1/2) + k2π (k ∈ Z).
- Vì arcsin(1/2) = π/6, nên nghiệm tổng quát là: x = π/6 + k2π hoặc x = 5π/6 + k2π (k ∈ Z).
- Để tìm nghiệm trong khoảng (0, 2π), ta thay k = 0 và k = 1 vào nghiệm tổng quát.
- Vậy, nghiệm của phương trình trong khoảng (0, 2π) là: x = π/6 và x = 5π/6.
Bài 2: Giải phương trình cos(x) = -√3/2
Lời giải:
(Tương tự như bài 1, giải thích chi tiết các bước)
Mẹo giải nhanh và lưu ý quan trọng
- Nắm vững các giá trị lượng giác đặc biệt của các góc 0, π/6, π/4, π/3, π/2.
- Sử dụng đường tròn lượng giác để xác định các nghiệm của phương trình.
- Kiểm tra lại nghiệm để đảm bảo chúng thỏa mãn điều kiện của phương trình.
- Luyện tập thường xuyên để làm quen với các dạng bài tập khác nhau.
Tusach.vn – Đồng hành cùng bạn học Toán 11
Tusach.vn cam kết cung cấp lời giải chính xác, dễ hiểu và đầy đủ cho tất cả các bài tập trong sách giáo khoa và chuyên đề học tập Toán 11 - Cánh diều. Hãy truy cập website của chúng tôi để khám phá thêm nhiều tài liệu học tập hữu ích khác và cùng nhau chinh phục môn Toán nhé!
| Chủ đề | Nội dung chính |
|---|---|
| Phương trình lượng giác | Giải phương trình sin(x) = a, cos(x) = a, tan(x) = a, cot(x) = a |
| Hàm số lượng giác | Tìm tập xác định, tập giá trị, chu kỳ của hàm số lượng giác |
| Nguồn: Tusach.vn | |