Giải khởi động trang 65 Chuyên đề học tập Toán 11 - Cánh diều
Tổng quan nội dung
Giải khởi động trang 65 Chuyên đề học tập Toán 11 - Cánh diều
Tusach.vn cung cấp lời giải chi tiết và dễ hiểu cho bài tập Giải khởi động trang 65 Chuyên đề học tập Toán 11 - Cánh diều. Bài giải được các giáo viên có kinh nghiệm biên soạn, đảm bảo tính chính xác và giúp học sinh nắm vững kiến thức.
Chúng tôi luôn cập nhật nhanh chóng và đầy đủ các bài giải Toán 11 Cánh diều, giúp bạn học tập hiệu quả và đạt kết quả tốt nhất.
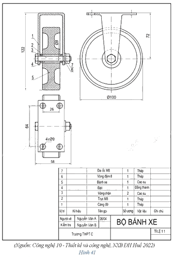
Hình 41 biểu diễn bản vẽ lắp bộ bánh xe.
Đề bài
Hình 41 biểu diễn bản vẽ lắp bộ bánh xe.

Đọc bản vẽ và hình dung được hình dạng của bộ bánh xe đó bằng cách nào?
Phương pháp giải - Xem chi tiết
Quan sát hình 41 và dựa vào kiến thức Công Nghệ để trả lời
Lời giải chi tiết
hiểu được hình dạng, kết cấu, cách thức lắp ghép và kết cấu hoạt động của sản phẩm.
Đọc bản vẽ và hình dung được hình dạng của bộ bánh xe đó theo nguyên tắc:
- Xác định đúng hướng nhìn cho từng hình biểu diễn. Từ hình chiếu bằng, hình chiếu cạnh, hình chiếu đứng, hình dung hình dạng mặt trên, mặt trái, mặt trước của vật thể.
- Dựa trên các hình chiếu, chia vật thể thành những khối hình học cơ bản và hình dung được vị trí tương đối, sự sắp xếp giữa những khối này. Từ đặc điểm hình chiếu của các khối hình học cơ bản, nhận ra được những đặc điểm chính của vật thể để hình dung toàn bộ vật thể.
- Phân tích được ý nghĩa từng đường nét thể hiện trên các hình chiếu. Nét liền đậm, nét đứt, nét chấm gạch, ... mỗi nét thể hiện đường nào đó của vật thể.
Giải khởi động trang 65 Chuyên đề học tập Toán 11 - Cánh diều: Hướng dẫn chi tiết và dễ hiểu
Bài tập Giải khởi động trang 65 trong Chuyên đề học tập Toán 11 - Cánh diều đóng vai trò quan trọng trong việc ôn tập kiến thức cũ và chuẩn bị cho các bài học mới. Việc giải bài tập này không chỉ giúp học sinh củng cố lý thuyết mà còn rèn luyện kỹ năng giải quyết vấn đề, một kỹ năng vô cùng cần thiết trong học tập và cuộc sống.
Nội dung bài tập Giải khởi động trang 65
Bài tập Giải khởi động trang 65 thường bao gồm các câu hỏi trắc nghiệm và tự luận, tập trung vào các kiến thức đã học trong chuyên đề. Các dạng bài tập có thể gặp bao gồm:
- Kiểm tra kiến thức cơ bản: Các câu hỏi về định nghĩa, tính chất, công thức.
- Vận dụng kiến thức vào giải quyết bài toán: Các bài toán yêu cầu học sinh áp dụng kiến thức đã học để tìm ra lời giải.
- Bài toán thực tế: Các bài toán liên hệ với thực tế cuộc sống, giúp học sinh hiểu rõ hơn về ứng dụng của Toán học.
Lời giải chi tiết và dễ hiểu tại tusach.vn
Tusach.vn tự hào là một trong những trang web cung cấp lời giải chi tiết và dễ hiểu nhất cho các bài tập Toán 11 Cánh diều, trong đó có bài tập Giải khởi động trang 65. Chúng tôi hiểu rằng, không phải học sinh nào cũng có thể tự giải quyết hết tất cả các bài tập, đặc biệt là những bài tập có độ khó cao. Vì vậy, chúng tôi đã biên soạn các lời giải chi tiết, từng bước, kèm theo các giải thích rõ ràng, giúp học sinh dễ dàng hiểu được cách giải và tự tin hơn khi làm bài tập.
Tại sao nên chọn tusach.vn để học Toán 11 Cánh diều?
- Lời giải chính xác: Các lời giải được kiểm tra kỹ lưỡng bởi các giáo viên có kinh nghiệm.
- Dễ hiểu: Lời giải được trình bày rõ ràng, dễ hiểu, phù hợp với trình độ của học sinh.
- Cập nhật nhanh chóng: Chúng tôi luôn cập nhật nhanh chóng các bài giải mới nhất.
- Miễn phí: Tất cả các lời giải đều được cung cấp miễn phí.
- Giao diện thân thiện: Trang web có giao diện thân thiện, dễ sử dụng.
Ví dụ về lời giải bài tập Giải khởi động trang 65 (có thể thay đổi tùy theo nội dung cụ thể của bài tập)
(Ở đây sẽ là một ví dụ cụ thể về lời giải một bài tập trong bài Giải khởi động trang 65. Ví dụ: Nếu bài tập yêu cầu tính giá trị của biểu thức, lời giải sẽ trình bày các bước tính toán chi tiết, kèm theo giải thích.)
Lời khuyên khi học Toán 11 Cánh diều
- Nắm vững kiến thức cơ bản: Đây là nền tảng để giải quyết các bài tập khó hơn.
- Luyện tập thường xuyên: Giải nhiều bài tập khác nhau sẽ giúp bạn rèn luyện kỹ năng và làm quen với các dạng bài tập.
- Tìm kiếm sự giúp đỡ khi cần thiết: Đừng ngần ngại hỏi giáo viên hoặc bạn bè nếu bạn gặp khó khăn.
- Sử dụng các nguồn tài liệu học tập: Sách giáo khoa, sách bài tập, trang web học tập trực tuyến,...
Tusach.vn hy vọng rằng, với những lời giải chi tiết và dễ hiểu, cùng với những lời khuyên hữu ích, chúng tôi sẽ giúp bạn học tập Toán 11 Cánh diều hiệu quả và đạt kết quả tốt nhất. Chúc bạn học tập tốt!
| Chuyên đề | Bài tập | Link giải |
|---|---|---|
| Chuyên đề 1 | Giải khởi động trang 65 | https://tusach.vn/giai-khoi-dong-trang-65-toan-11-canh-dieu |