Giải bài 4 trang 64 Chuyên đề học tập Toán 11 Cánh diều
Tổng quan nội dung
Giải bài 4 trang 64 Chuyên đề học tập Toán 11 Cánh diều
Tusach.vn xin giới thiệu lời giải chi tiết bài 4 trang 64 Chuyên đề học tập Toán 11 Cánh diều. Bài viết này cung cấp đáp án chính xác, phương pháp giải rõ ràng, giúp học sinh hiểu sâu kiến thức và tự tin làm bài tập.
Chúng tôi luôn cố gắng cung cấp nội dung chất lượng, dễ hiểu, hỗ trợ tối đa cho quá trình học tập của các em.
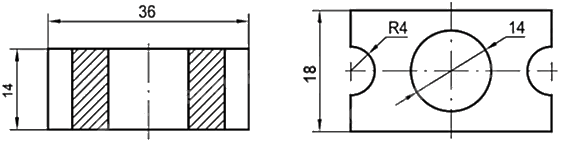
Hình 40 ghi kích thước cho bản vẽ. Hãy xác định các kích thước ghi không đúng tiêu chuẩn trên Hình 40
Đề bài
Hình 40 ghi kích thước cho bản vẽ. Hãy xác định các kích thước ghi không đúng tiêu chuẩn trên Hình 40 và trình bày cách ghi lại cho đúng.

Phương pháp giải - Xem chi tiết
Quan sát hình 40 để trả lời
Lời giải chi tiết
Số 14 ở hình chiếu đầu tiên phải nằm ở bên trái đường kích thước.
Số 18 ở hình chiếu thứ hai phải nằm quay ngang giống số 14 ở hình đầu tiên.

Giải bài 4 trang 64 Chuyên đề học tập Toán 11 Cánh diều: Chi tiết và Dễ hiểu
Bài 4 trang 64 Chuyên đề học tập Toán 11 Cánh diều thuộc chương trình học Toán 11, tập trung vào việc vận dụng kiến thức về đạo hàm để giải quyết các bài toán thực tế. Bài tập này thường yêu cầu học sinh phải hiểu rõ các khái niệm về đạo hàm, quy tắc tính đạo hàm và ứng dụng của đạo hàm trong việc tìm cực trị, khoảng đơn điệu của hàm số.
Nội dung bài 4 trang 64 Chuyên đề học tập Toán 11 Cánh diều
Bài 4 thường bao gồm các dạng bài tập sau:
- Dạng 1: Tính đạo hàm của hàm số.
- Dạng 2: Tìm cực trị của hàm số.
- Dạng 3: Khảo sát sự biến thiên của hàm số.
- Dạng 4: Ứng dụng đạo hàm để giải các bài toán tối ưu.
Lời giải chi tiết bài 4 trang 64 Chuyên đề học tập Toán 11 Cánh diều
Để giúp các em học sinh hiểu rõ hơn về cách giải bài 4 trang 64 Chuyên đề học tập Toán 11 Cánh diều, Tusach.vn xin trình bày lời giải chi tiết như sau:
Ví dụ minh họa (Giả định nội dung bài tập):
Bài tập: Cho hàm số y = x3 - 3x2 + 2. Tìm cực trị của hàm số.
Lời giải:
- Bước 1: Tính đạo hàm bậc nhất y' = 3x2 - 6x.
- Bước 2: Tìm các điểm cực trị bằng cách giải phương trình y' = 0. Ta có: 3x2 - 6x = 0 => x = 0 hoặc x = 2.
- Bước 3: Tính đạo hàm bậc hai y'' = 6x - 6.
- Bước 4: Xét dấu đạo hàm bậc hai tại các điểm cực trị:
- Tại x = 0, y'' = -6 < 0 => Hàm số đạt cực đại tại x = 0. Giá trị cực đại là y(0) = 2.
- Tại x = 2, y'' = 6 > 0 => Hàm số đạt cực tiểu tại x = 2. Giá trị cực tiểu là y(2) = -2.
Kết luận: Hàm số y = x3 - 3x2 + 2 đạt cực đại tại x = 0 với giá trị là 2 và đạt cực tiểu tại x = 2 với giá trị là -2.
Mẹo giải bài tập đạo hàm Toán 11
Để giải tốt các bài tập về đạo hàm, các em cần:
- Nắm vững các công thức tính đạo hàm cơ bản.
- Luyện tập thường xuyên để làm quen với các dạng bài tập khác nhau.
- Sử dụng các công cụ hỗ trợ như máy tính bỏ túi để kiểm tra kết quả.
- Đọc kỹ đề bài và xác định đúng yêu cầu của bài toán.
Tusach.vn – Đồng hành cùng học sinh
Tusach.vn luôn cập nhật lời giải chi tiết các bài tập Toán 11 Cánh diều mới nhất. Hãy truy cập website của chúng tôi để tìm kiếm lời giải cho các bài tập khác và nâng cao kiến thức Toán 11 của bạn!
| Dạng bài | Phương pháp giải |
|---|---|
| Tính đạo hàm | Sử dụng các quy tắc tính đạo hàm. |
| Tìm cực trị | Giải phương trình đạo hàm bằng 0 và xét dấu đạo hàm bậc hai. |
Chúc các em học tập tốt!